Dwunastu Apostołów II
- Mario69
- Posty: 0
- Rejestracja: 28 lut 2015, 20:15
Re: Dwunastu Apostołów II
Osobiście malowałem lawetę armaty bejcą z lakierem w kolorze orzechowym a samą lufę czarną farbą, matową. Są rożne szkoły i różne pomysły. Generalnie uważam, iż słabo popracowali nad odpowiednimi szczegółami - jak widać okręt ma zdobić ale nie koniecznie oddaje prawdę historyczną.
Postaram się wrzucić zdjęcia. Nawet nie próbuję modernizować armaty bo tak na prawdę trzeba by ją zrobić od nowa 
- TomekA
- Posty: 586
- Rejestracja: 03 paź 2011, 04:04
Re: karonada 1
Slawek55 pisze:pierwsza karonada powstała
lufa - oksydowana
koła chyba pomaluję na czarno
To mi wyglada na lawete od zwyklego, tradycyjnego dziala. Lawety karonad wygladaly inaczej - zerknij na zalaczniki (co prawda, to sa karonady na Victorym, ale Ruscy chyba mieli podobne).
-
Slawek55
- Posty: 0
- Rejestracja: 07 kwie 2015, 18:52
karonada 2
W opisie DA jest użyta nazwa karonada. Rozebrałem i zbudowałem moje "prototypowe" działo raz jeszcze.
Przed rozpoczęciem budowy kolejnych - popracuję nad techniką wybarwiania/lakierowania drewna i uzupełnię zapasy drutów mosiężnych o właściwej średnicy.

Przed rozpoczęciem budowy kolejnych - popracuję nad techniką wybarwiania/lakierowania drewna i uzupełnię zapasy drutów mosiężnych o właściwej średnicy.
- Karrex
- Posty: 1195
- Rejestracja: 04 gru 2010, 21:56
Re: karonada 1
TomekA pisze:...
To mi wygląda na lawetę od zwykłego, tradycyjnego działa. Lawety karonad wyglądały inaczej - (...) co prawda, to są karonady na Victorym, ale Ruscy chyba mieli podobne.
...
Tomek było się już przyzwyczaić, że "u Ruskich wszystko odwrotnie jak w samolocie". A tak poważnie na początek zacytuję wydawcę XII
Wydawca kolekcji pisze:...
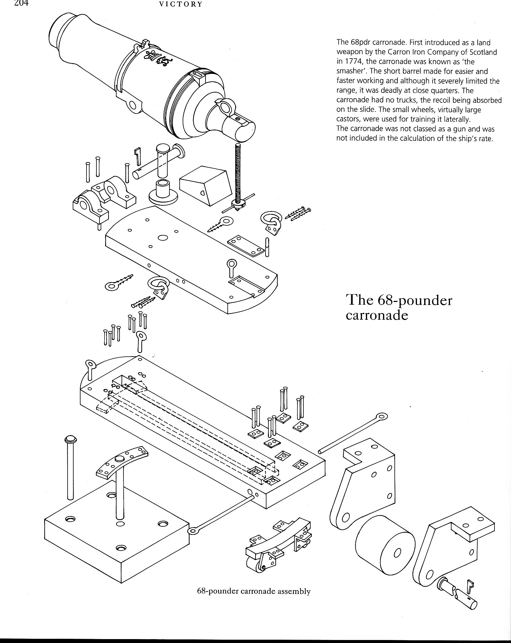
[karonady] Początkowo były odlewane bez uchwytów i montowane na łożach stałych, nieruchomych. Jednak podczas oddawania strzału występowały zbyt duże naprężenia i po pewnym czasie karonady dużego kalibru zaczęto montować na łożach wózkowych. W XIX wieku wycofanie bombard oraz zwiększenie zasięgu artylerii pokładowej doprowadziło do stopniowego usuwania karonad.
Jednak flota rosyjska zachowała szczególny rodzaj broni, zwanej armatą-karonadą. W przeciwieństwie do tradycyjnych dział cechowała ją lżejsza i krótsza lufa. Karonada ta była montowana na zwykłych łożach wózkowych i różniła się od dawnych modeli tym, że była wyposażona w czopy. Lufa miała grubsze ścianki, dzięki czemu można było zwiększyć ilość prochu, a tym samym polepszyć zasięg działa.
...
Plany 24 i 36-funtówki,
które zamieściłem już w tej relacji viewtopic.php?p=70459#p70459 pochodzą z monografii Dwunastu Apostołów niejakiej G. A. Griebienszczikowej viewtopic.php?p=70477#p70477
Żeby było "weselej" to karonada 68-funtowa miała jeszcze inną lawetę:
i Ci którzy budują model od podstaw mogą sobie zrobić,
aby postawić obok modelu w gablocie
Pozdrawiam
Karol
W stoczni: Santa Maria, San Juan Bautista, Santisima Trinidad, L'Ambitieux
Pozłotnictwo

Karol
W stoczni: Santa Maria, San Juan Bautista, Santisima Trinidad, L'Ambitieux
Pozłotnictwo

- TomekA
- Posty: 586
- Rejestracja: 03 paź 2011, 04:04
Re: Dwunastu Apostołów II
Aha! Nie wiedzialem, ze Ruscy mieli to inaczej od reszty swiata. Wielkie dzieki, Karrex za info!
Posciagalem sobie te ilustracje od Ciebie i teraz bede uswiadomiony.
Pozdro.
Posciagalem sobie te ilustracje od Ciebie i teraz bede uswiadomiony.
Pozdro.
- Mario69
- Posty: 0
- Rejestracja: 28 lut 2015, 20:15
Re: Dwunastu Apostołów II
Ciekaw jestem jak DA zaproponuje budowę 68 funtowych luf
Mam tylko nadzieję, że będą lepiej wykonane niż 24 funtowe bo żal d....ę ściska. No cóż, pożyjemy - zobaczymy 
- borsuk58
- Posty: 0
- Rejestracja: 12 mar 2015, 08:19
Re: Dwunastu Apostołów II
Ja uzbrojenie będę robił dopiero jak będę miał wszystkie elementy.
Może być tak ze łoża obecnie pomalowane będą odbiegać kolorystycznie od kolejnych co może się rzucać w oczy , czego chciałbym uniknąć.
Może być tak ze łoża obecnie pomalowane będą odbiegać kolorystycznie od kolejnych co może się rzucać w oczy , czego chciałbym uniknąć.
Pozdrawiam
Roman
Roman
-
Slawek55
- Posty: 0
- Rejestracja: 07 kwie 2015, 18:52
Re: Dwunastu Apostołów II
Z resztą uzbrojenia faktycznie poczekam - ale eksperymentując z "prototypem" troszeczkę się podszkoliłem.
Dzięki podpowiedziom i otrzymanej dokumentacji "wiem więcej". Czeka mnie jeszcze sporo eksperymentów z wykończeniem powierzchni drewna (bejcowanie i lakierowanie).
Niestety trafiłem na pierwszy problem z jakością otrzymanych części - obie części pokładu są wykonane ze sklejki, która rozpada się w palcach. Wysłałem reklamację - ciekaw jestem reakcji DA.
Dzięki podpowiedziom i otrzymanej dokumentacji "wiem więcej". Czeka mnie jeszcze sporo eksperymentów z wykończeniem powierzchni drewna (bejcowanie i lakierowanie).
Niestety trafiłem na pierwszy problem z jakością otrzymanych części - obie części pokładu są wykonane ze sklejki, która rozpada się w palcach. Wysłałem reklamację - ciekaw jestem reakcji DA.
- Karrex
- Posty: 1195
- Rejestracja: 04 gru 2010, 21:56
Re: 68 funtówki
Mario69 pisze:...
Ciekaw jestem jak DA zaproponuje budowę 68 funtowych lufMam tylko nadzieję, że będą lepiej wykonane niż 24 funtowe
...
Jako takiej "budowy" DeA raczej nie zaproponuje, a i "luf" to zbyt hucznie powiedziane - jak pisałem powyżej będą to ATRAPY (same obrzyny końcówek luf).
Pobierz sobie czwartą stronę 77 zeszytu z włoskiego forum, to będziesz wiedział co da DeA
http://www.deagostinipassion.com/forum/ ... 27322.page
Poza tym załóż własny wątek z budowy XII, bo teraz to zaśmiecamy relację kolegi.
Pozdrawiam
Karol
W stoczni: Santa Maria, San Juan Bautista, Santisima Trinidad, L'Ambitieux
Pozłotnictwo

Karol
W stoczni: Santa Maria, San Juan Bautista, Santisima Trinidad, L'Ambitieux
Pozłotnictwo
