Napęd strugowodny kutra desantowego.

Czyli forum RC.
rekmak
Posty: 74
Rejestracja: 21 lis 2011, 18:53

Napęd strugowodny kutra desantowego.

Post autor: rekmak »

Jestem na ukończeniu budowy kutra Raptor tj. wszystkie elementy gotowe do wklejenia. Powstał problem z podwójnym napędem strugowodnym. Działa bez końcówki sterującej prawidłowo (część zewnętrzna). Wyrzuca wodę ruchem wirowym jak każda śruba, na każdych obrotach. Po nałożeniu dyszy sterującej o mniejszej średnicy wylotu nic się nie dzieje a nawet po zatkaniu palcem odczuwam ssanie.
Rysunek i zdjęcia są pod tym linkiem https://photos.google.com/album/AF1QipN ... 9X9_R9DPJK
Na YT widać coś w kształcie wygiętej kijanki ale nie w każdym przypadku. Przypuszczam do prostowania wylotu wody i nie wiem jak dokładnie wygląda. Być może zwężenie wylotu jest za małe lub nie powinno być. Chcę zrobić pierścień i wstawić między rufą a częścią zewnętrzną lub nową część zewn. z wylotem prostokątnym, łatwiejszy do wykonania, bez tokarki.
Proszę o radę, co z tym zrobić, wskazać błąd.
Awatar użytkownika
lucky
Posty: 5
Rejestracja: 26 sie 2014, 17:33

Re: Napęd strugowodny kutra desantowego.

Post autor: lucky »

Niestety nie wiem jak inni ale ja nie mam dostępu do tego linka (każe się logować) więc trudno o jakąkolwiek pomoc gdyż nie widzimy żadnych fotek.

Lucky
rekmak
Posty: 74
Rejestracja: 21 lis 2011, 18:53

Re: Napęd strugowodny kutra desantowego.

Post autor: rekmak »

Przepraszam, teraz powinny być widoczne.
Awatar użytkownika
Andrzej1
Posty: 1568
Rejestracja: 04 gru 2010, 21:56
Lokalizacja: {"name":"Polska Szczecin","desc":"","lat":"","lng":""}

Re: Napęd strugowodny kutra desantowego.

Post autor: Andrzej1 »

rekmak pisze:Przepraszam, teraz powinny być widoczne.

A nie są.

Z ukłonami
Andrzej Korycki

P.S.
A może, takie dziwne rozwiązanie zaproponuję, zamieścić te zdjęcia na Kodze ?
rekmak
Posty: 74
Rejestracja: 21 lis 2011, 18:53

Re: Napęd strugowodny kutra desantowego.

Post autor: rekmak »

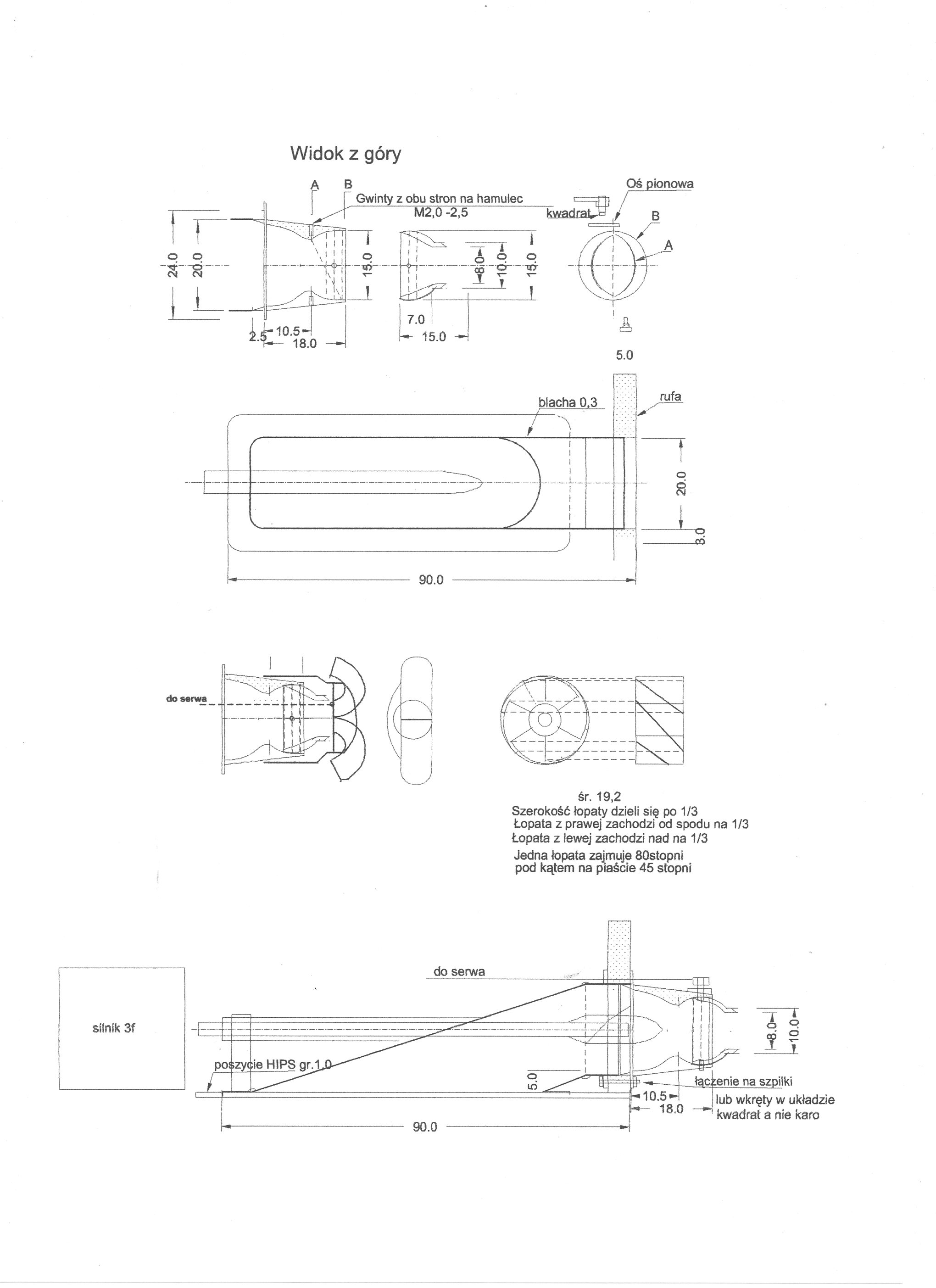
https://picasaweb.google.com/1014230466 ... towyRaptor może ten link będzie dobry. Wstawiam także rysunek . Zwiększyłem otwór wylotowy na 9,5 mm tym samym odpadła rurka. Nie ma poprawy. Może otwór jest jeszcze za mały. Wstawię pierścień z dwoma płaskownikami w środku w celu prostowanie strugi. Może ruch wirowy wody na zwężeniu zamienia się jakby w kulę.
Załączniki
turbinka060.jpg
Awatar użytkownika
Andrzej1
Posty: 1568
Rejestracja: 04 gru 2010, 21:56
Lokalizacja: {"name":"Polska Szczecin","desc":"","lat":"","lng":""}

Re: Napęd strugowodny kutra desantowego.

Post autor: Andrzej1 »

Dziędobry
Jaki fachowiec taka rada, ale może się "psu da".
Tak na moje oko, to te śruby mielą w dużej części powietrze.
Trzeba jakoś odpowietrzyć ten układ.
Całość znajduje się pod wodą - jak domniemam. Ale w tych kulkach siedzi powietrze i już.

Z ukłonami
Andrzej Korycki
Awatar użytkownika
Tomasz_D
Posty: 558
Rejestracja: 04 gru 2010, 21:55

Re: Napęd strugowodny kutra desantowego.

Post autor: Tomasz_D »

Na moje oko pomóc mogą dwie rzeczy - zmniejszenie ilości łopat na tych śrubach (przy tym profilu 3 łopaty na śrubę wystarczą), albo znaczne zmniejszenie prędkości obrotowej; ja obstawiałbym raczej to pierwsze.
Awatar użytkownika
futaba
Posty: 120
Rejestracja: 04 gru 2010, 21:56
Lokalizacja: {"name":"","desc":"","lat":"","lng":""}
Kontakt:

Re: Napęd strugowodny kutra desantowego.

Post autor: futaba »

Zgadzam się z Tomkiem co do ilości łopatek, w tej chwili to raczej supergenerator kawitacji niż śruba. Zrób łopaty z cieńszej blaszki, ładnie wyprofiluj krawędzie natarcia i spływu łopat i nie zaokrąglaj obrysu łopaty, niech jej zewnętrzny kształt będzie maksymalnie dopasowany do średnicy kanału wylotowego. Poza tym zrób testy gdy model płynie a nie stoi, wtedy dolot będzie "dynamicznie ładowany" wodą i sprawność napędu powinna zdecydowanie wzrosnąć.
Pozdrawiam
Grzegorz Jermołaj
Pływające i latające RC.
rekmak
Posty: 74
Rejestracja: 21 lis 2011, 18:53

Re: Napęd strugowodny kutra desantowego.

Post autor: rekmak »

Jest postęp. Wirująca struga musi być prostowana. Ożebrowanie widoczne na filmie (na innych filmach i zdjęciach niewidoczne lub pomijane) z napędem Kamewa jest trudne do wykonania i dlatego na szybko zwinąłem tulejkę- przedłużkę 20mm i z jednego końca wlutowałem krzyż z płaskownika szer.7mm. Krzyż na prosto bez przegięć. To podziałało. Ciśnienie z wirnika wypycha tą zewnętrzną część i potem czułem to w palcach trzymając tą część. Na zdjęciu wypływa woda z pęcherzykami powietrza bo było za małe zanurzenie wlotu. Muszę skombinować korytko do prób bo w misce to nie robota.


IS_P9280095.jpg
IS_P9280095.jpg (92.04 KiB) Przejrzano 11793 razy


IS_P9280096.jpg
IS_P9280096.jpg (90.52 KiB) Przejrzano 11793 razy


IS_P9280098.jpg
IS_P9280098.jpg (96.57 KiB) Przejrzano 11793 razy


Teraz będzie następna przeróbka. Żeby skrócić nową tuleję o 5mm, krzyżak wysunę z tulei żeby wchodził w tuleję stożkową (brązowa). Może zrobię nowy, węższy. Inna wersja. Dolutować w tulei stożkowej trójkątne kawałki blachy ale to trudne bo tuleja mosiężna musi być dobrze nagrzana żeby lut trzymał.
rekmak
Posty: 74
Rejestracja: 21 lis 2011, 18:53

Re: Napęd strugowodny kutra desantowego.

Post autor: rekmak »

To jeszcze nie sukces ale znaczny postęp jest: https://www.youtube.com/watch?v=mPDwgw4JIe4
ODPOWIEDZ