Prace nad dokumentacją karonady dobiegają końca. Myślę że pod koniec długiego weekendu dostępna będzie szczegółowa dokumentacja
Karonada XVIII/XIX w skala 1:12
- Wojtek-Sos
- Posty: 159
- Rejestracja: 28 lis 2012, 18:05
Re: Karonada XVIII/XIX w skala 1:12
Pozdrawiam
Wojtek
Wojtek
- Wojtek-Sos
- Posty: 159
- Rejestracja: 28 lis 2012, 18:05
Re: Karonada XVIII/XIX w skala 1:12
Witam, projekt został ukończony, pozostała tylko do wykonania dokumentacja.
Na rysunkach dolna część łoża
Na rysunkach dolna część łoża
Pozdrawiam
Wojtek
Wojtek
- władek
- Posty: 0
- Rejestracja: 07 lis 2013, 15:07
Re: Karonada XVIII/XIX w skala 1:12
ładnie to wygląda, ale wykonanie, patrząc na te rysunki nie będzie łatwe.
Czy dokumentacja będzie do pobrania w plikowni Kogi?
Czy dokumentacja będzie do pobrania w plikowni Kogi?
Pozdrawiam
Władek
Władek
- Wojtek-Sos
- Posty: 159
- Rejestracja: 28 lis 2012, 18:05
Re: Karonada XVIII/XIX w skala 1:12
władek pisze:Czy dokumentacja będzie do pobrania w plikowni Kogi?
Raczej nie. Kompletna dokumentacja szkieletu Western River, którą przekazałem moderatorowi miała być dostępna wszystkim członkom Kogi. Dlaczego nie jest, nie wiem.
Aby podobna sytuacja nie miała miejsca w przypadku karonady, dokumentacja dostępna będzie u mnie.
Po opracowaniu jej, chętnych proszę o kontakt na PW.
Pozdrawiam
Wojtek
Wojtek
- Wojtek-Sos
- Posty: 159
- Rejestracja: 28 lis 2012, 18:05
Re: Karonada XVIII/XIX w skala 1:12
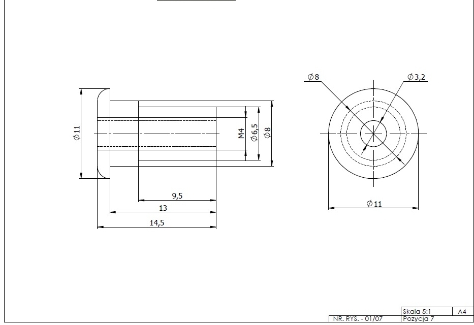
Dokumentacja będzie się składała z rysunków złożeniowych i wykonawczych detali wchodzących w skład złożenia
Rysunek złożeniowy lufy wraz z elementami, na rysunku tabelka z opisem pozycji i numerem rysunku
Rysunki detali
Rysunek złożeniowy lufy wraz z elementami, na rysunku tabelka z opisem pozycji i numerem rysunku
Rysunki detali
Pozdrawiam
Wojtek
Wojtek
- RomekS
- Posty: 3211
- Rejestracja: 04 gru 2010, 21:55
- Lokalizacja: {"name":"Polska Toru\u0144","desc":"","lat":"","lng":""}
Re: Karonada XVIII/XIX w skala 1:12
Wojtek-Sos pisze:władek pisze:Czy dokumentacja będzie do pobrania w plikowni Kogi?
Raczej nie. Kompletna dokumentacja szkieletu Western River, którą przekazałem moderatorowi miała być dostępna wszystkim członkom Kogi. Dlaczego nie jest, nie wiem.
Kompletna dokumentacja szkieletu Western River, co z nią ?
Utajniona, czy zbyt obszerna ?
- Wojtek-Sos
- Posty: 159
- Rejestracja: 28 lis 2012, 18:05
Re: Karonada XVIII/XIX w skala 1:12
RomekS pisze:Kompletna dokumentacja szkieletu Western River, co z nią ?
Utajniona, czy zbyt obszerna ?
Dysponuję dokumentacją tego szkieletu. Jeżeli ktoś jest zainteresowany, proszę o kontakt na PW.
Na fotce jedna z nadbudówek WR, wykonana na podstawie moich rysunków.
Pozdrawiam
Wojtek
Wojtek
- tadheus
- Posty: 0
- Rejestracja: 04 gru 2010, 21:56
Re: Karonada XVIII/XIX w skala 1:12
Wojtek,wszystko jest bardzo ładne.Zazdroszczę Ci umiejętności posługiwania się programem graficznym.
Jednak nie zwalnia Cię to od przestrzegania zasad budowy tego typu działa zgodnie z materialami źródłowymi, zachowanymi egzemplarzami muzealnymi i planami J.Boudriot'a na których jak sam napisaleś ,się opierasz.
W swoich planach stworzyłeś hybrydę klasycznego działa z karonadą.
W karonadzie zastosowałeś czopy mocujące z klasycznej armaty.Karonada miała jeden ruchomy czop przechodzący na wylot przez otwór wypustu mocującego odlanego razem z lufą i klinowany.
Myślę,że zdjęcia i moje marne rysunki unaocznią o co chodzi.
Dziwi mnie ,że nasi kogowi Koledzy,doświadczeni modelarze a zarazem "kolorowi krzykacze" na SB nie zwrócili Ci na to uwagi,a śledzą Twoją relację z zainteresowaniem.
Jeśli uważasz,że nie mam racji to przedstaw materiały ,które to udowodnią.
Jednak nie zwalnia Cię to od przestrzegania zasad budowy tego typu działa zgodnie z materialami źródłowymi, zachowanymi egzemplarzami muzealnymi i planami J.Boudriot'a na których jak sam napisaleś ,się opierasz.
W swoich planach stworzyłeś hybrydę klasycznego działa z karonadą.
W karonadzie zastosowałeś czopy mocujące z klasycznej armaty.Karonada miała jeden ruchomy czop przechodzący na wylot przez otwór wypustu mocującego odlanego razem z lufą i klinowany.
Myślę,że zdjęcia i moje marne rysunki unaocznią o co chodzi.
Dziwi mnie ,że nasi kogowi Koledzy,doświadczeni modelarze a zarazem "kolorowi krzykacze" na SB nie zwrócili Ci na to uwagi,a śledzą Twoją relację z zainteresowaniem.
Jeśli uważasz,że nie mam racji to przedstaw materiały ,które to udowodnią.
Pozdrawiam, Paweł.
- Wojtek-Sos
- Posty: 159
- Rejestracja: 28 lis 2012, 18:05
Re: Karonada XVIII/XIX w skala 1:12
Rysunki dokładnie pokazują o co chodzi. Oczywiście poprawię to. Dzięki za zwrócenie uwagi na ten błąd.
Pozdrawiam
Wojtek
Wojtek